Electrical Drafting
Experts In:
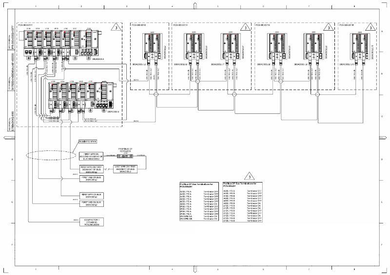
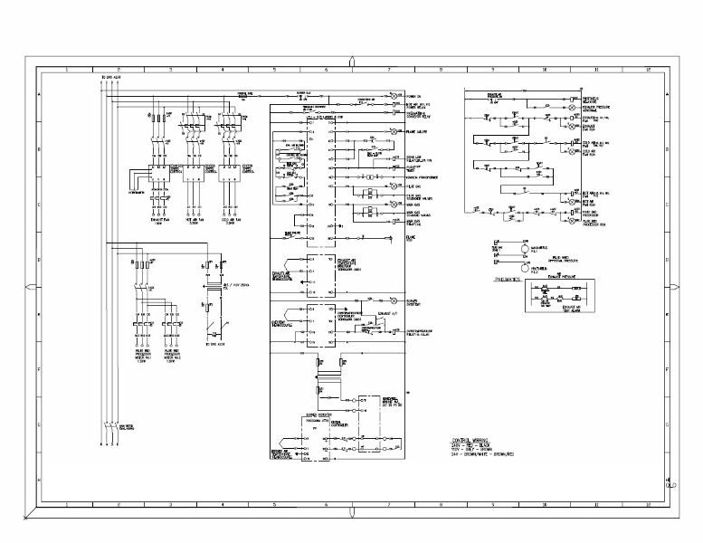
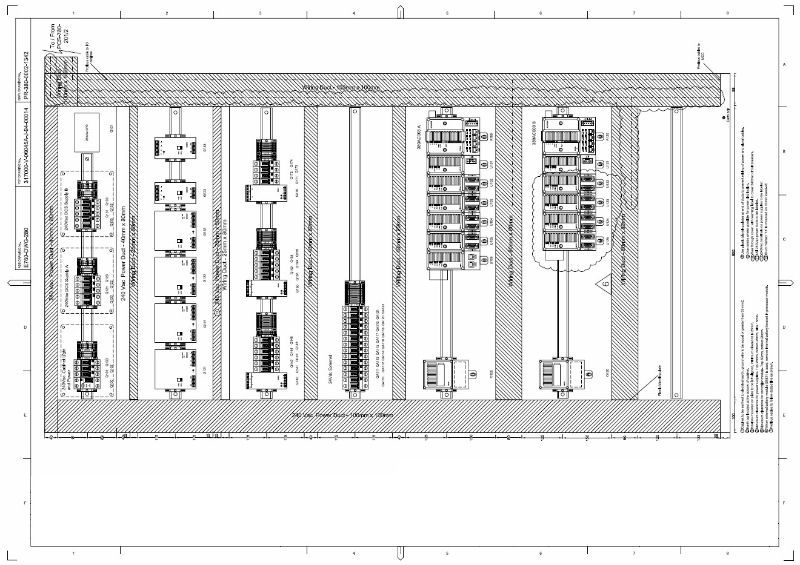
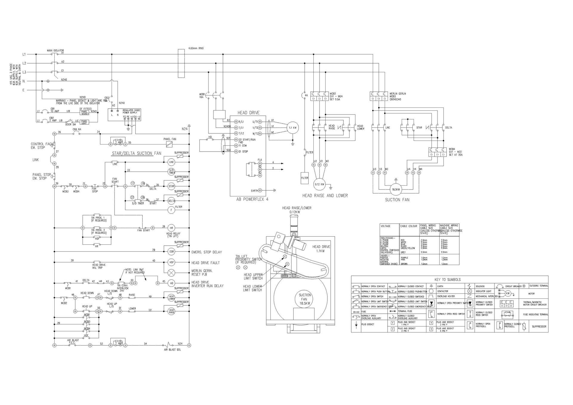
Electrical Drafting Services
As Australia’s leading provider of electrical drafting services, we have worked closely with some of the largest companies in the world to provide expert technical solutions for their project’s electrical requirements. In doing so, we have partnered with:
Calmaco Aluminia (Car Project)
Brisbane City Council on the Brisbane International Airport
Conrad Treasury Casino
Producing PLC Drawings and Wiring Diagrams, Transformers, PLC Programming
Team of Experts
Whether you need electrical schematics, lighting plans, wiring diagrams or other electrical documents, we are here to help. Our team has the expertise and experience to ensure your designs are accurate, efficient, and up-to-code.
At Australian Drafting & Design Pty Ltd we believe in the power of technology to improve the efficiency and accuracy of our work. That's why we are dedicated to staying up-to-date with the latest advances in CAD software and other drafting tools. We are committed to providing high-quality work on time and within budget and take pride in our reputation for excellence.
Software
We use a range of software for electrical drafting including:
AutoCAD
AutoCAD Electrical
REVIT
MICROSTATION CADconform
Get in Touch
If you want to learn more about how we can help you, get in touch with us today by filling out the form on our contact page or call us on - 1300 882 768










